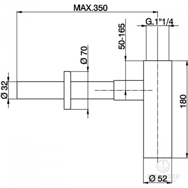
Артикул:
za0040702p
CISAL Сифон 1"1/4, цвет розовое золото
Отзывы
Оставить отзыв
Загрузка отзывов...
